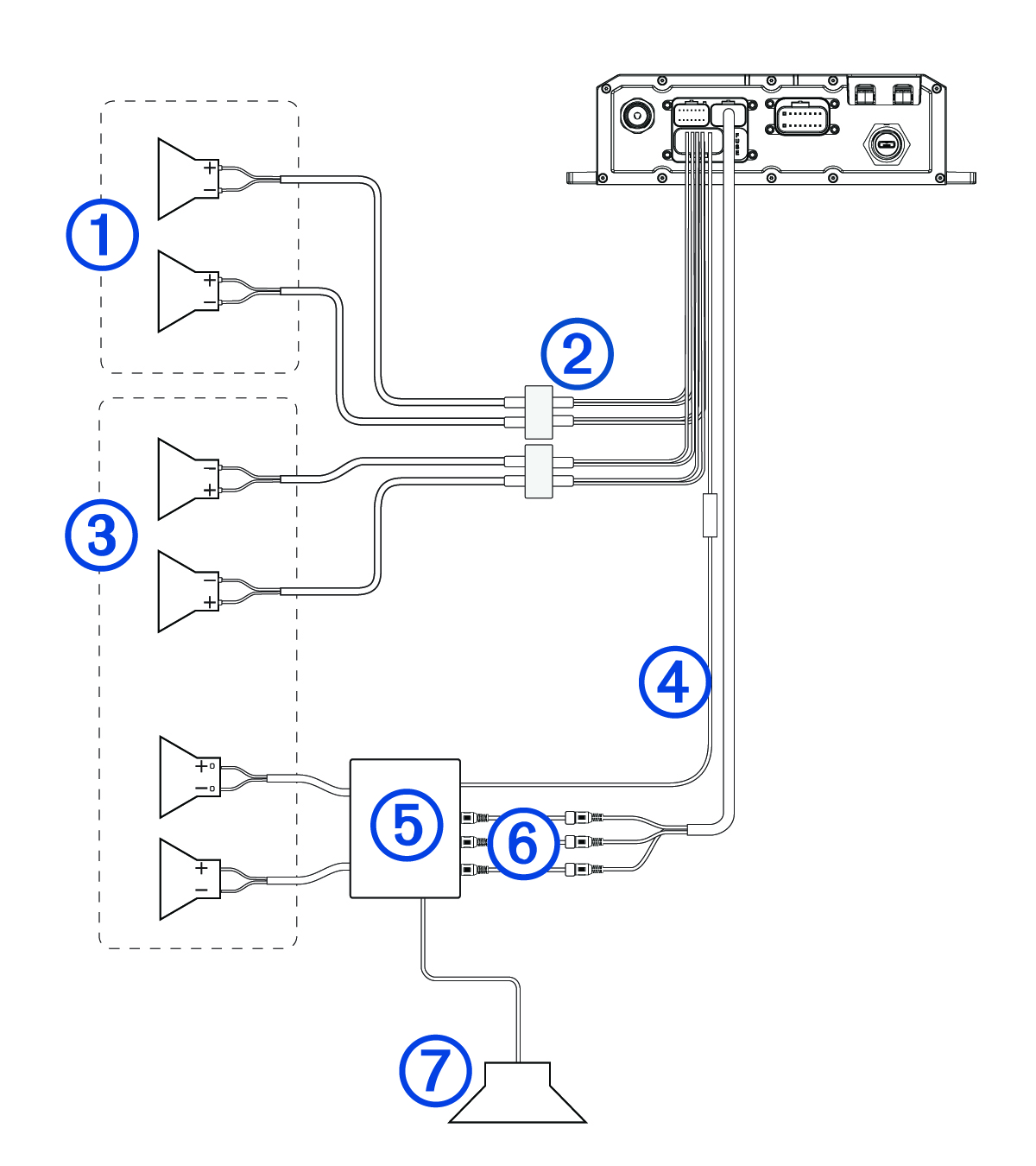
Complete System Wiring
This diagram illustrates a system installation with an external amplifier and subwoofer connected to the stereo using a line out.
NOTA:
You can also connect speakers to the speaker wires for the internal stereo amplifier while using an external amplifier connected to the line out. Adjusting the volume affects speakers connected to the internal amplifier and speakers connected to the line out. This may result in uneven volume levels.

|
Item |
Description |
|---|---|
|
|
Zone 2 speakers |
|
|
Water-tight connection |
|
|
Zone 1 speakers |
|
|
Amplifier-on signal wire |
|
|
Powered amplifier |
|
|
Line out and subwoofer out |
|
|
Subwoofer |
Tema principal: Connections